Předělání zdroje TESLA BS 525 na něco, co je použitelné :-)


!POZOR! TOTO ZAŘÍZENÍ PRACUJE S NEBEZPEČNÝM SÍŤOVÝM NAPĚTÍM. ZA JAKÉKOLI NEHODY NEZODPOVÍDÁM.





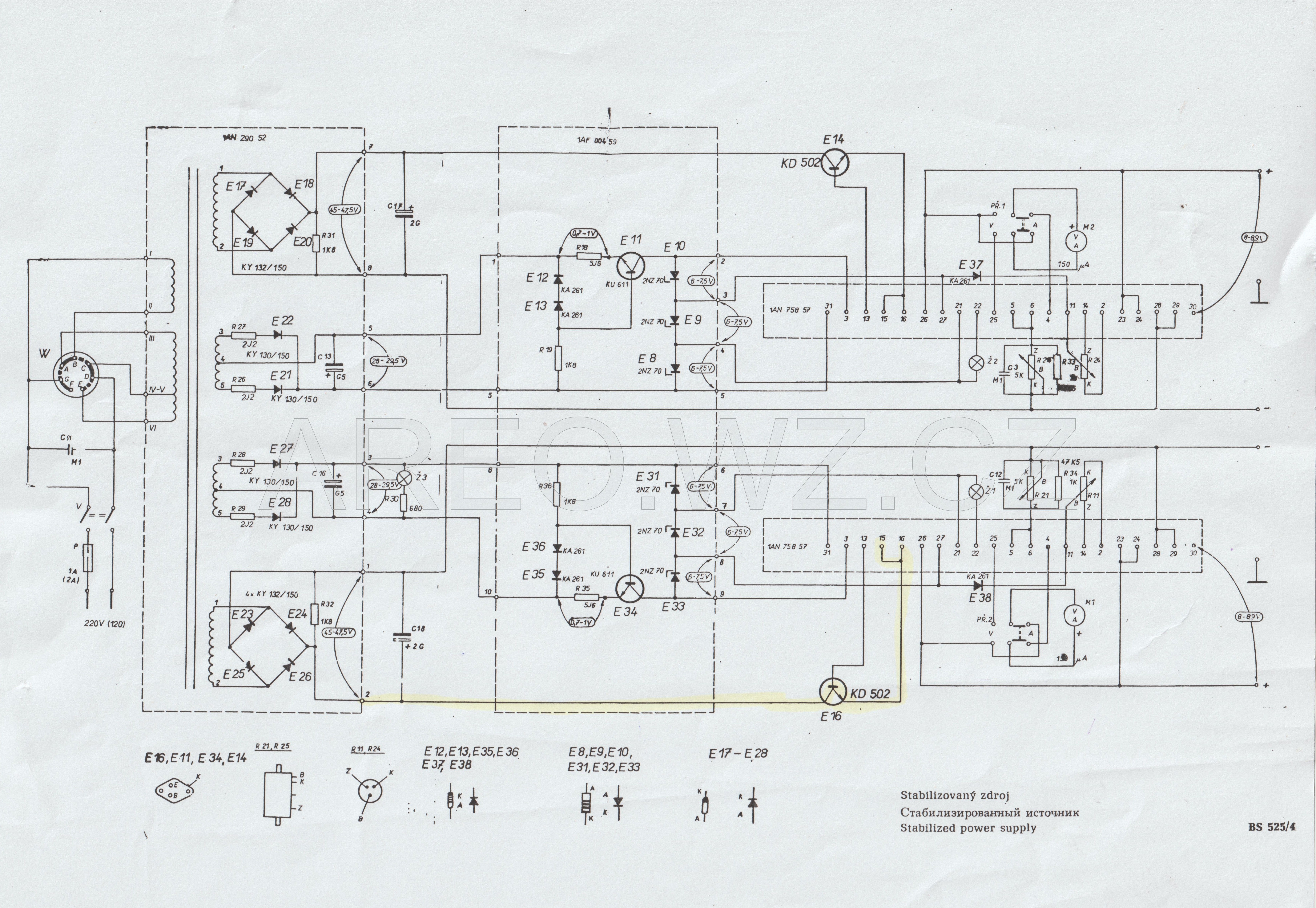
Dvojitý stabilizovaný zdroj TESLA BS 525 je vskutku nepovedený přístroj. Pokud ho neznáte, na schéma jste se ještě nepodívali a zajímá vás proč, tak například proto, že při zkratu na výstupu je asi 30% pravděpodobnost spálení tranzistoru E2 (KF 508). Pokračovat lze tenkými zvonkovými dráty, jimiž jsou připojené výstupní tranzistory k nap. U a k výstupu, nebo kondenzátorem 500uF!!! přímo na výstupu, aby se připojené zařízení na zdroj při poruše spolehlivě zničilo. Úprava je velice jednoduchá. Je hrozné, že takto nedoladěný přístroj šel do výroby. To je podobné, jako s magnetofonem B73, který původně od výroby nemá možnost měření nahrávané úrovně. Ještě dodatek: kondenzátor 1uF je pravděpodobně zbytečně vysoká kapacita, avšak na menší jsem to netestoval na stabilitu, takže neručím, že se to nerozkmitá. A tento pekelný zdroj rád kmitá (asi proto tam dali 0,5mF na výstup, poněvadž se jim to již nechtělo dělat pořádněji. Samozřejmě nejlepší by bylo tu elektroniku udělat zcela jinak a lépe (celé to předělat), ale toto je mnohem rychlejší.









Schéma úpravy:















Upravené desky:




















06.08.2024